
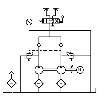
DSS系列電動泵站是由油泵、控制閥、電機、油箱、儀表等組成的一種獨立,完整的液壓動力裝置。本泵為單級泵、雙油路,配有手動換向閥,換向閥機能有“O”型、“M”型、“U”型。
項目型號 | 流量L/min | 壓力MPa | 功率KW | 容積 L | 外 形 尺 寸 長×寬×高 | 重量 Kg | ||
高壓 | 低壓 | 高壓 | 低壓 | |||||
DSS0.8/6 | 0.8 | 6 | 80 | 2 | 1.5 | 35 | 450×350×670 | 62 |
DSS1.2/6 | 1.2 | 6 | 80 | 2 | 1.5 | 35 | 450×350×670 | 62 |
DSS1.6/10 | 1.6 | 10 | 80 | 2 | 1.5 | 35 | 450×350×670 | 65 |
DSS2.2/10 | 2.2 | 10 | 80 | 2 | 2.2 | 35 | 450×350×720 | 75 |
DSS3.3/10 | 3.3 | 10 | 80 | 2 | 3 | 35 | 450×350×720 | 80 |
DSS4/10 | 4 | 10 | 80 | 2 | 4 | 35 | 450×350×750 | 85 |
DSS5/15 | 5 | 15 | 70 | 6 | 5.5 | 130 | 600×500×900 | 142 |
DSS6/15 | 6 | 15 | 70 | 6 | 5.5 | 130 | 600×500×900 | 146 |
DSS7.5/20 | 7.5 | 20 | 63 | 6 | 7.5 | 170 | 700×500×1010 | 165 |
DSS8.5/20 | 8.5 | 20 | 63 | 6 | 7.5 | 170 | 700×500×1010 | 168 |
DSS12.5/46 | 12.5 | 46 | 50 | 6 | 11 | 170 | 700×500×1070 | 208 |
DSS15/46 | 15 | 46 | 50 | 6 | 15 | 170 | 700×500×1110 | 230 |
DSS18/46 | 18 | 46 | 50 | 6 | 15 | 170 | 700×500×1110 | 246 |
DSS22/46 | 22 | 46 | 50 | 6 | 18.5 | 190 | 800×600×1200 | 268 |
DSS24/46 | 24 | 46 | 50 | 6 | 22 | 240 | 800×700×1300 | 310 |
※ 以上型號均為基本型,可在其基礎上配備換向閥、節流閥、傳感器等液壓元件。
※ 低壓泵的壓力、流量視系統的需要,可另行選配